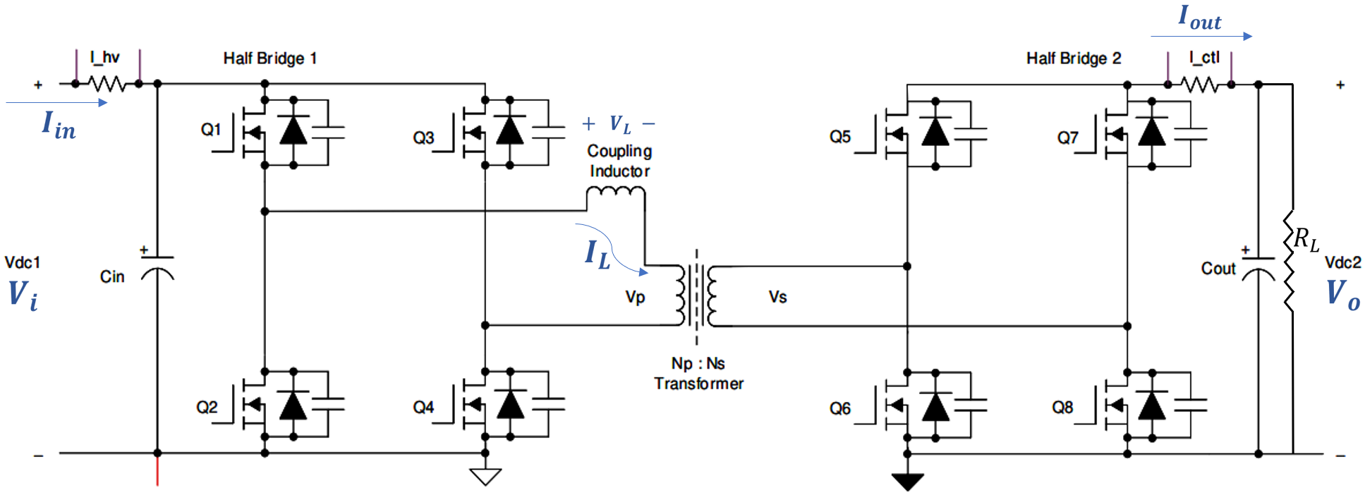
Dual Active Bridge (DAB)
- 변압기 양단에 두 개의 독립적인 브릿지 회로를 가지며 이를 이용하여 위상 차이를 지닌 고주파 교류 전원을 형성한다.
- 두 전압 간의 위상 차이를 이용하면 양방향 제어가 가능하다.
- 추가 소자 없이도 인덕터 전류를 이용하여 ZVS(Zero-Voltage-Switching)로 높은 변환 효율을 가진다.
- 변압기의 직렬 인덕턴스를 에너지 전달 소자로 이용하기 때문에 수동 소자의 수가 적어 높은 전력밀도를 가진다.
Part 1. 작동 원리
- Bridge의 스위치는 PWM을 사용하여 제어
→ 1차측과 2차측의 전압 파형 사이의 위상 변이를 조정하여 전력 흐름의 방향과 크기를 제어한다. - ZVS(Zero-Voltage-Switching) : 스위칭 손실을 줄이고 효율성을 높이기 위함.
※토폴로지(Topology) : 구성 요소의 값을 고려하지 않고 해당 구성 요소가 연결되는 방식만 고려한 전자 필터 회로
Part 2. Hard Switching
- 대부분의 Buck 전압 조정기는 Turn ON 및 Turn OFF 전환 동안 조정기의 MOSFET 스위치에 인가되는 고전류 및
고전압 응력의 동시 발생으로 인해 높은 스위칭 손실을 일으킨다. 이러한 손실은 스위칭 주파수와 입력 전압으로
인해 증가하며 최대 주파수 작동, 효율성 및 출력 밀도를 제한한다. - 하드 스위칭은 MOSFET을 켜거나 끌 때 전압과 전류 사이의 중복 동안 발생한다.

Part 3. Soft Switching at Zero Voltage (전원을 켤 때, MOSFET의 전압이 0에 가까워지는 현상)
- 소프트 스위칭 동안, MOSFET이 켜지거나 꺼지기 전에 전압이 최소값이 아니라 Zero로 떨어지므로 전압과 전류 간의
중복이 제거되고 손실이 최소화 된다. - 전압이 아니라 전류가 Zero에 도달할 때 MOSFET을 스위칭 하는 데 사용할 수도 있다(Zero Current Switching, ZCS).
- 매끄러운 스위칭 파형으로 EMI가 최소화 된다.
- 소프트 스위칭은 MOSFET의 온타임 동안 일반적인 PWM 전력 변환으로 정의된다.
- 변환 주파수를 변화시키는 고정 오프타임 제어 또는 출력 전압의 조정을 유지하기 위한 온타임 제어를 활용하는
PWM 전력으로 고려할 수 있다. 고주파수, 고전압 컨버터 설계에 좋은 기법이다.

- ZVS 이점
- EMI의 고조파 스펙트럼이 감소된다.
- 더 높은 주파수 작동으로 잡음이 감소되고 잡음의 필터링이 쉬워진다.
- 더 작은 필터 부품의 사용이 가능하다.
- ZVS 이점
- 스위칭 오프 전에 (특히 높은 주파수에서) MOSFET이 모든 에너지를 방출했음을 보장할 수 없다.
- 장기적으로 '저장된' 에너지는 특히 고속 스위칭 전압 조정기에서 부품 장애를 일으킬 수 있다.

Part 4. Basic DAB Design
▶ Buck Converter(Step-Down Converter), 강압형
조정되지 않은 DC 공급장치의 입력 전압을 안정화 하여 더 낮은 출력 전압으로 Buck 또는 낮추기 위한 DC-DC 스위치 모드 전원 공급장치이다. 입력된 전력 대부분을 그대로 출력할 수 있으며, 95%를 넘는 높은 변환 효율을 가지고 있다. 하지만 스위칭 노이즈가 발생할 수 있다는 단점도 있다.
스위치 S가 닫혀 있을 때, 입력 전압에 의하여 인덕터 L에 에너지가 축적되면서 입력 측으로 부터 에너지가 출력 측으로 전달된다. 이때 환류(Free Wheeling) 다이오드 D는 차단된다.
다음 순간에 스위치 S가 열리면, 인덕터 L에 축적된 에너지가 환류 다이오드 D를 통하여 출력 측으로 전달된다.
위 동작을 기본으로 하며, 스위치 S가 열리고 닫히는 시간 비율을 조정하여 원하는 직류 출력 전압을 얻을 수 있다.
Buck Converter는 MCU 마이컴, 통신장비, 제어 시스템 등의 다양한 어플리케이션에서 사용된다. 기존의 비효율적인 선형 레귤레이터를 대신하여 저전압 온보드 전력을 제공한다.


▶ Boost Converter(Step-up Converter), 승압형
조정되지 않은 DC 공급장치의 입력 전압을 안정화 하여 더 낮은 출력 전압으로 Boost 또는 증가시키기 위한 DC-DC 스위치 모드 전원 공급장치이다. 회로를 구성하는 소자는 Buck Converter와 유사하지만 배치되는 위치가 다르다.
스위치 S가 닫혀 있을 때, 입력 전압에 의하여 인덕터 L에 에너지가 축적되면서 다이오드 D는 차단된다. 이 때, 출력 측에서는 커패시터 C에 축적된 전하가 부하저항 R을 통해서 방전된다.
다음 순간에 스위치 S가 열리면, 인덕터 L에 축적된 에너지가 다이오드 D를 통하여 출력 측으로 방출된다.
위 동작을 기본으로 하며, 스위치 S가 열리고 닫히는 시간 비율을 조정하여 원하는 직류 출력 전압을 얻을 수 있다.
Boost Converter에서의 출력 전압은 스위치가 열리고 닫히는 비율에 따라 입력 전압(Vin) 이상으로 변환된다. 하지만 전력의 크기는 일정하다. 따라서 입력 전압의 3배 크기의 출력 전압을 가지는 Boost Converter는 입력 전류 1/3 크기의 출력 전류를 가진다.


Part 5. DAB Power System
DAB에서 두 Bridge 간의 전력 전송은 두 전압 버스 간의 전력 흐름과 유사하다.

위 그림은 오른쪽 전압 소스가 왼쪽의 전압 소스에 비해 지연되고 있음을 보여준다.
해당 그림을 통해 왼쪽에서 오른쪽으로 이루어지는 전력 전송 방정식을 구해보면,

Part 6. DAB Power Transfer

- 𝑷 : Power transferred
- 𝑽_𝒑 : RMS Voltage on the primary side
- 𝑽_𝒔 : RMS Voltage on the secondary side
- 𝝎 : Switching frequency
- 𝑳 : Magnetizing inductance of the transformer
- 𝝋 : Phase shift angle between the both side voltages
- 전력 전송은 두 개의 구형파가 생성되는 DAB에서 발생된다.
- 두 개의 구형파는 아래 그림의 변압기 1차와 2차측에서 생성된다.
- 전력 흐름의 방향은 두 Bridge 사이의 위상 변이를 역전시켜 변경할 수 있다.





Part 6-1. ZVS 조건 (1차단 Bridge MOSFET)

Part 6-2. ZVS 조건 (2차단 Bridge MOSFET)

Part 6-3. ZVS 조건 (M-D Graph)
- 1차단, 2차단 Bridge 모두 ZVS 되는 D의 범위


다음 포스팅에서는 Plecs 프로그램을 이용하여 DAB 회로를 디자인한 후,
설계 사양을 맞추고 테스트하는 과정을 업로드 하겠습니다.
감사합니다.
'학부 자료 > DAB' 카테고리의 다른 글
| [DAB] Dual Active Bridge, Plecs Simulation(Multiple Cases) (1) | 2024.03.04 |
|---|